Для ретранслятора на 4 устройства
Конфигурация:
- ELRS приёмник (5В) — критичен
- ELRS передатчик (12-28В)
- Video приёмник (12-28В)
- Video передатчик 1-2Вт (12-28В) — высокий приоритет
СОДЕРЖАНИЕ
- Общая схема подключения
- Buck-конвертеры
- Конденсаторы
- LC-фильтры
- Ферритовые кольца
- Приоритеты фильтрации
- Практическая сборка
- Таблица компонентов
1. ОБЩАЯ СХЕМА ПОДКЛЮЧЕНИЯ
Схема питания для ретранслятора:
Батарея (3S/4S, 12-16.8В)
│
┌────┴────┬─────────────────────────────┐
│ │ │
▼ ▼ ▼
┌───── ┌─────┐ ┌────────────┐
│Buck │ │ LC │ │Конденсаторы│
│5В/1А│ │фильтр│ │470µF+0.1µF│
└──┬──┘ └──┬──┘ └─────┬──────┘
│ │ │
▼ ▼ ▼
[ELRS RX] [Video TX] [Video RX] + [ELRS TX]
5В 12-16В (1-2Вт) 12-16В
Пример схемы подключения с 6S батареей:

Ключевой момент: Buck-конвертер нужен только для ELRS приёмника (5В). Остальные устройства работают от напряжения батареи.
2. BUCK-КОНВЕРТЕРЫ
Что это
DC-DC преобразователь, понижающий напряжение (например, 14.8В → 5В) с высоким КПД (85-95%).
Схема buck-конвертера

Основные компоненты:
- Q1: MOSFET (ключ)
- D1: Диод Шоттки
- L1: Катушка индуктивности
- C1: Выходной конденсатор
Типы buck-конвертеров
| Тип | КПД | Пульсации | Цена | Пример |
|---|---|---|---|---|
| Линейный (LDO) | 40-60% | <10 мВ | $ | LM7805 |
| Buck несинхронный | 80-90% | 50-100 мВ | $$ | LM2596 |
| Buck синхронный | 90-95% | 20-50 мВ | $$$ | MP2359, TPS54331 |
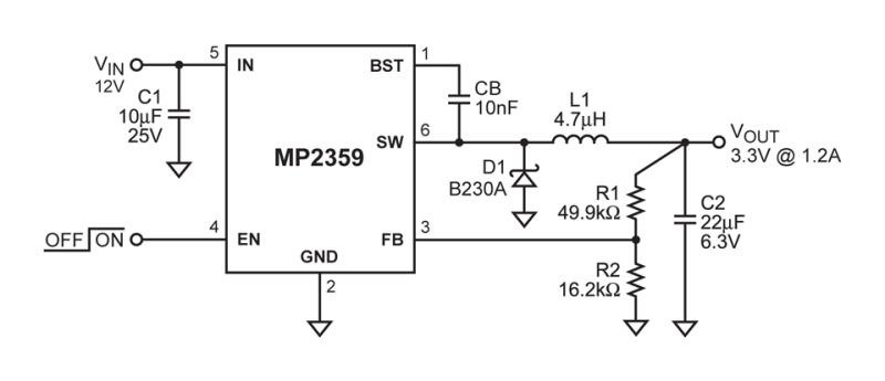
Пример схемы MP2359

Проверенные модели для ELRS RX
| Модель | Vin | Vout | Iout | fsw | Пульсации |
|---|---|---|---|---|---|
| MP2359 | 4.5-23В | 0.8-20В | 2А | 1.4 МГц | ~30 мВ |
| TPS54331 | 3.5-28В | 1.2-20В | 3А | 570 кГц | ~40 мВ |
| XL4015 | 4-38В | 1.25-36В | 5А | 180 кГц | ~50 мВ |
| MP1584 | 4.5-28В | 0.8-20В | 3А | 1.5 МГц | ~40 мВ |
Рекомендация: MP2359 или TPS54331 для ELRS приёмника (низкие пульсации критичны).
Готовые модули buck-конвертеров


⚠️ Правила подключения
- ✅ Входной конденсатор ≥10µF обязателен
- ✅ Провода короткие ≤5 см от buck до нагрузки
- ✅ Общая земля — все GND в одну точку
- ✅ Запас по току ×1.5-2 от потребления
3. КОНДЕНСАТОРЫ
Типы конденсаторов для FPV
| Тип | Ёмкость | ESR | Частотный диапазон | Применение |
|---|---|---|---|---|
| Электролитический | 10-1000µF | Высокое | 100 Гц — 10 кГц | Базовое сглаживание |
| Low-ESR электролит | 10-470µF | Низкое | 100 Гц — 100 кГц | Питание VTX, RX |
| Танталовый | 1-100µF | Очень низкое | 1 кГц — 1 МГц | Критичные цепи |
| Керамический (X7R) | 0.1-10µF | Минимальное | 10 кГц — 100 МГц | ВЧ-фильтрация |
Low-ESR конденсаторы: проверенные серии
Panasonic FM/FR серия:


- Panasonic: FM, FR, OS-CON
- Rubycon: ZLH, ZL
- Nichicon: HE, HM
- United Chemi-Con: KZE, KZG
Параллельное включение (правило)
Разные ёмкости параллельно для широкого частотного диапазона:
Vout ──┬──[470µF]──┬──[10µF]──┬──[0.1µF]──┬── Нагрузка
│ Low-ESR │ Тантал │ X7R │
GND GND GND GND
Почему это работает:
- 470µF: фильтрует 100 Гц — 1 кГц
- 10µF: фильтрует 1 кГц — 100 кГц
- 0.1µF: фильтрует 100 кГц — 10 МГц
Конденсаторы на плате

Номинальное напряжение (правило ×2-3)
| Напряжение цепи | Мин. номинал | Рекомендовано |
|---|---|---|
| 5В | 10В | 16В |
| 12В | 16В | 25В |
| 16В | 25В | 35В |
| 28В | 35В | 50В |
Размещение конденсаторов
Правильное размещение:

Критичные правила:
- ✅ Чем ближе к нагрузке — тем лучше (≤1 см провода)
- ✅ Короткие выводы (паразитная индуктивность)
- ✅ Общая земля (все конденсаторы на одну точку)
- ❌ Не шлейфом!
4. LC-ФИЛЬТРЫ
Что это
Пассивный фильтр из катушки (L) и конденсатора (C), подавляющий ВЧ-помехи.
Простой LC-фильтр

π-фильтр (Pi-фильтр) — рекомендуется

Схема π-фильтра:
Vin ──┬──▓▓──┬── Vout
│ L │
─┴─ ─┴─
─┬─ C1 ─┬─ C2
│ │
GND GND
- Эффективность: ⭐⭐⭐⭐⭐
- Применение: VTX, чувствительные приёмники
Готовые LC-фильтры


Расчёт LC-фильтра
Частота среза:
fc = 1 / (2π × √(L×C))
Пример: L=22µH, C=220µF
fc ≈ 2.3 кГц
Это значит: всё выше 2.3 кГц (включая ШИМ 200кГц-2МГц) будет подавлено.
Выбор компонентов для LC
| Параметр | Рекомендация |
|---|---|
| L (катушка) | 10-47µH, ток насыщения ≥2А |
| C1 | 220-470µF Low-ESR |
| C2 | 0.1µF керамика X7R |
| Частота среза | 1-5 кГц |
5. ФЕРРИТОВЫЕ КОЛЬЦА
Что это
Феррит — магнитный материал с высокими потерями на ВЧ. Используется для:
- Намотки катушек для LC-фильтров
- Подавления помех на проводах
Ферритовые тороидальные кольца


Магнитное поле в тороидальном сердечнике

Типы ферритов
| Материал | Частотный диапазон | Применение |
|---|---|---|
| Nickel-Zinc (NiZn) | 1-500 МГц | ВЧ-помехи, кабели |
| Manganese-Zinc (MnZn) | 10 кГц — 3 МГц | LC-фильтры, дроссели |
| MPP (Molypermalloy) | 100 Гц — 100 кГц | Силовые дроссели |
Расчёт катушки на ферритовом кольце
Формула:
L = AL × N²
где:
L — индуктивность (нГн)
AL — коэффициент кольца (нГн/виток²)
N — количество витков
Пример:
Кольцо T-25-12 (AL = 12 нГн/виток²)
Нужно L = 22µH = 22000 нГн
N = √(L/AL) = √(22000/12) ≈ 43 витка
Выбор провода для намотки
| Ток | Диаметр провода |
|---|---|
| 1А | 0.5-0.7 мм |
| 2А | 0.8-1.0 мм |
| 3А | 1.0-1.2 мм |
6. ПРИОРИТЕТЫ ФИЛЬТРАЦИИ
Порядок значимости (критичность отказа)
| # | Устройство | Ток | Что при отказе | Приоритет фильтрации |
|---|---|---|---|---|
| 1 | ELRS приёмник | 100-200мА | 🔴 ПОТЕРЯ ДРОНА | ⭐⭐⭐⭐⭐ LC обязателен |
| 2 | Video передатчик | 400-800мА | 🟠 СЛЕПОЙ ПОЛЁТ | ⭐⭐⭐⭐ LC рекомендуется |
| 3 | Video приёмник | 150-300мА | 🟡 СБОЙ МИССИИ | ⭐⭐⭐ Можно конденсаторы |
| 4 | ELRS передатчик | 400-800мА | 🟡 СБОЙ МИССИИ | ⭐⭐ Можно конденсаторы |
Диаграмма приоритетов

Итоговая таблица фильтрации
| Устройство | Тип фильтрации | Номиналы | Почему так |
|---|---|---|---|
| 1. ELRS RX | Buck + LC | L=33µH, C=220µF+0.1µF + 10µF тантал | Критичен для управления |
| 2. Video TX | LC-фильтр | L=22µH, C=470µF+0.1µF | Высокий ток, помехи портят видео |
| 3. Video RX | Конденсаторы | C=220µF+0.1µF | Менее чувствителен |
| 4. ELRS TX | Конденсаторы | C=470µF+0.1µF | Высокий ток, но менее критичен |
7. ПРАКТИЧЕСКАЯ СБОРКА
Пошаговая инструкция
Шаг 1: Расчёт потребления
Устройство Ток (средн/пик) Питание
ELRS RX 0.1А / 0.2А 5В (через buck)
ELRS TX 0.4А / 0.8А 12-16В
Video RX 0.2А / 0.3А 12-16В
Video TX 0.6А / 1.0А 12-16В
────────────────────────────────────────────────
ИТОГО: 1.3А / 2.3А ~6 Вт
Запас ×1.5: 2.0А / 3.5А
Шаг 2: Выбор buck для ELRS RX
- Vin: 4.5-23В (для 3S-4S)
- Vout: 5В
- Iout: 1А+ (ELRS RX потребляет мало)
- Тип: синхронный (MP2359, TPS54331)
Шаг 3: Подбор конденсаторов
Для ELRS RX (через LC):
- 220µF Low-ESR (Panasonic FM/FR)
- 0.1µF X7R керамика
- 10µF тантал (опционально)
Для Video TX (через LC):
- 470µF Low-ESR
- 0.1µF X7R керамика
Для Video RX и ELRS TX:
- 220-470µF Low-ESR
- 0.1µF X7R керамика
Шаг 4: Разводка питания «звездой»
Схема подключения PDB:

Правила:
- ✅ Все плюсы и минусы от батареи идут отдельными проводами к каждому модулю
- ✅ Не шлейфом!
- ✅ Все GND сходятся в одной точке у батареи (звезда)
Шаг 5: Монтаж
Порядок действий:
- Buck: закрепить на раме с термопрокладкой
- LC-фильтры: максимально близко к модулям (≤2 см)
- Конденсаторы: прямо на выводах питания модулей
- Провода:
- Короткие (≤5 см между buck/LC/модулем)
- Толстые (18-20 AWG для Video TX, 22-24 AWG для остальных)
- Земля: одна точка (звезда), не шлейфом!
Шаг 6: Проверка
| Проверка | Норма | Инструмент |
|---|---|---|
| Напряжение без нагрузки | 5.0±0.1В | Мультиметр |
| Напряжение под нагрузкой | 4.8-5.2В | Мультиметр |
| Пульсации ELRS RX | <20 мВ | Осциллограф |
| Пульсации Video TX | <50 мВ | Осциллограф |
| Температура buck | <60°C | Термометр/палец |
8. ТАБЛИЦА КОМПОНЕНТОВ
Buck-конвертеры (выбор)
| Модель | Vin | Vout | Iout | Пульсации | Цена | Где купить |
|---|---|---|---|---|---|---|
| MP2359 | 4.5-23В | 5В | 2А | 30мВ | $$ | AliExpress, ЧипДип |
| TPS54331 | 3.5-28В | 5В | 3А | 40мВ | $$ | ЧипДип, Али |
| XL4015 | 4-38В | 5В | 5А | 50мВ | $ | AliExpress |
| MP1584 | 4.5-28В | 5В | 3А | 40мВ | $ | AliExpress |
LC-фильтры готовые
| Модель | L | C | Ток | Напряжение | Цена |
|---|---|---|---|---|---|
| iFlight LC 3A | 10µH | 220µF | 3А | 5-30В | $2 |
| Matek LC-2A | 22µH | 470µF | 2А | 5-50В | $3 |
| Foxeer LC | 33µH | 220µF | 3А | 7-28В | $2 |
Ферритовые кольца (для намотки)
| Тип | Материал | AL | Размеры | Для тока |
|---|---|---|---|---|
| T-25-12 | MPP | 12 нГн/вит² | 6.35×3.18×3.18 мм | До 1А |
| T-30-26 | MPP | 26 нГн/вит² | 7.62×3.18×3.18 мм | До 2А |
| T-50-26 | MPP | 50 нГн/вит² | 12.7×4.78×4.78 мм | До 3А |
| T-72-26 | MPP | 72 нГн/вит² | 18.3×5.56×5.56 мм | До 5А |
ВАРИАНТЫ КОМПЛЕКТАЦИИ
Минимальная ($10-15)
1× XL4015 buck (5В/5А) — $2
1× LC-фильтр iFlight 3A — $2
4× 220µF Low-ESR + 0.1µF — $3
1× Ферритовая бусина — $1
1× Диод 1N5822 — $0.50
1× Предохранитель 3А — $0.50
Провода, разъёмы — $3
─────────────────────────
ИТОГО: ~$12
Для кого: Бюджетный вариант, базовая защита.
Оптимальная ($20-25) — РЕКОМЕНДУЕТСЯ
1× MP2359 buck (5В/2А) — $3
2× LC-фильтр iFlight 3A — $4
2× 470µF Panasonic FM — $4
2× 220µF Panasonic FM — $3
4× 0.1µF X7R керамика — $1
1× Ферритовое кольцо T-50-26 — $1
1× Диод SR360 — $1
1× Предохранитель 5А — $0.50
Провода, разъёмы — $5
─────────────────────────
ИТОГО: ~$22
Для кого: Оптимальное соотношение цена/качество.
Максимальная ($30-40)
1× TPS54331 buck (5В/3А) — $4
2× LC-фильтр Matek — $6
4× 470µF Panasonic FR — $8
4× 0.1µF X7R керамика — $2
2× 10µF тантал — $3
2× Ферритовые бусины — $2
1× Диод MBR1045 — $2
1× TVS SMBJ12A — $1
1× Предохранитель 5А — $0.50
Провода, разъёмы, PDB — $10
─────────────────────────
ИТОГО: ~$38
Для кого: Long-range, максимальная надёжность.
КОНТРОЛЬНЫЙ СПИСОК
Перед первым включением проверьте:
- [ ] Buck с запасом по току ×1.5-2
- [ ] Входной конденсатор buck ≥10µF
- [ ] LC-фильтр на ELRS RX (обязательно!)
- [ ] LC-фильтр на Video TX (рекомендуется)
- [ ] Конденсаторы на Video RX и ELRS TX
- [ ] Параллельные конденсаторы (Low-ESR + керамика)
- [ ] Разводка «звездой», не шлейфом
- [ ] Общая земля в одной точке
- [ ] Короткие провода (≤5 см между компонентами)
- [ ] Ферриты на силовых проводах (опционально)
- [ ] Диод Шоттки для защиты от переполюсовки
- [ ] Предохранитель на входе (3-5А)
- [ ] Пульсации на ELRS RX <20 мВ (осциллограф)
- [ ] Пульсации на Video TX <50 мВ (осциллограф)
🔗 ПОЛЕЗНЫЕ ССЫЛКИ
- Oscar Liang: Power Filter Guide — полное руководство по фильтрации
- Oscar Liang: Capacitors Guide — выбор и монтаж конденсаторов
- Oscar Liang: LC Filter — теория и практика LC-фильтров
- Monolithic Power: MP2359 — datasheet
- TI: TPS54331 — datasheet
- IntoFPV Forum — сообщество FPV пилотов
ИТОГОВАЯ СХЕМА ДЛЯ ВАШЕГО РЕТРАНСЛЯТОРА
Конфигурация: 3S/4S батарея, 4 устройства
Компоненты:
- Buck: MP2359 (5В/2А) — только для ELRS RX
- LC на ELRS RX: L=33µH, C=220µF Low-ESR + 0.1µF
- LC на Video TX: L=22µH, C=470µF Low-ESR + 0.1µF
- Конденсаторы на Video RX: 220µF Low-ESR + 0.1µF
- Конденсаторы на ELRS TX: 470µF Low-ESR + 0.1µF
Вес системы: ~30-40г
Стоимость: $20-25
Время сборки: 1-2 часа
